Новый KTM Adventure 1290

Spayn

Участник
177
0
  1. KTM 1190 Adventure
У них на сайте, просят 200 долларов с учетом доставки.

думаю можно на али найти сильно дешевле. Но несколько моментов:
размеры лампы с радиатором - подойдёт ли заказанная?
Световой пучок - будет ли нормальным?
CAN-шина - не будет ли ошибки?

поэтому решил заказать Plug-n-play. хоть и дорого
Я брал брату на advmonster лед лампочку, плюс на луисе взял резисторы на 50Ом, подключили никаких ошибок. Можно и с али подобрать, будет дешевле.
 

AK74

Активный участник
915
0
Бирюли Хиллз
  1. HONDA
  1. KTM 1290 Adventure
Штатные лампы на циклопов поменял?
ага. свет стал более менее.
тоже заказал циклопов только что)))))
с установкой проблем нет кроме того что раскрутить приходится треть мотоцикла )) ну и я поставил резисторы снизу внутреннего кожуха - очень уж провода и резисторы у циклопов "монументальные" - и так то с трудом влезло все под фару.
АК74, доп.свет как подключал?
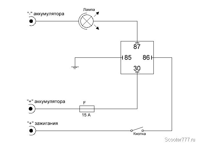
перецепил две фары на одно реле, запитал с ACC2 провода, релешка везла между проводами под фару, права там все теперь так понапихано - как бы не перегрелось. осталось кнопку нормальную купить (в стандарте уродская) и вывести через дырку в кожухе около панели приборов или прикуривателя.

У них на сайте, просят 200 долларов с учетом доставки.

думаю можно на али найти сильно дешевле. Но несколько моментов:
размеры лампы с радиатором - подойдёт ли заказанная?
Световой пучок - будет ли нормальным?
CAN-шина - не будет ли ошибки?

поэтому решил заказать Plug-n-play. хоть и дорого

Я брал брату на advmonster лед лампочку, плюс на луисе взял резисторы на 50Ом, подключили никаких ошибок. Можно и с али подобрать, будет дешевле.
мне почему то в 165 обошлась. хз может акция какая то была. на али надо смотреть норм лампочки - я купил в машину сыну какие то здоровые такие, за 1000 руб, говно оказалось. сын сам нашел другие - 3000 р за пару, с резисторами уже. вроде нормально светят. но в ктм я их не ставил. комп на колесах, еще спалю на фиг. да и менять лампочки тот еще гемор на суперадвенчере
 

Владуха

Активный участник
270
0
  1. HARLEY-DAVIDSON
  2. KTM
  1. BMW R 1250 GS
перецепил две фары на одно реле, запитал с ACC2 провода

может я не правильно понял, но я не понял, для чего в таком случае реле? Если плюс питания для допсвета тащить с аккумулятора, а в качестве управляющего плюса брать плюс асс через кнопку, тогда понятно, что цепь асс не грузится, а используется для того, чтоб фары без включения асс не работали. А если в качестве питания фар использовать асс, тогда зачем реле?

ну и тогда возникает вопрос, на сколько ампер рассчитан асс под фарой? Вроде обсуждали где-то, что асс под фарой на 10А, и есть еще под сидухой пассажира, вроде как на 20А. Могу заблуждаться. Поправьте кто знает, либо надо мануал почитать...
 
Последнее редактирование:

AK74

Активный участник
915
0
Бирюли Хиллз
  1. HONDA
  1. KTM 1290 Adventure
может я не правильно понял, но я не понял, для чего в таком случае реле? Если плюс питания для допсвета тащить с аккумулятора, а в качестве управляющего плюса брать плюс асс через кнопку, тогда понятно, что цепь асс не грузится, а используется для того, чтоб фары без включения асс не работали. А если в качестве питания фар использовать асс, тогда зачем реле?

ну и тогда возникает вопрос, на сколько ампер рассчитан асс под фарой? Вроде обсуждали где-то, что асс под фарой на 10А, и есть еще под сидухой пассажира, вроде как на 20А. Могу заблуждаться. Поправьте кто знает, либо надо мануал почитать...
а кнопка включения доп света? как без реле - через кнопку 10 ампер пускать? в допсвете стояли плавкие предохранители на 5 ампер, из чего я сделал вввод что больше 10 ампер не потребят, отрезал предохранители и запитал напрямую через асс2.

- - - Добавлено - - -

attachment.php


наконец то на улице будут видеть.
 

Вложения

  • IMG_4844.JPG
    IMG_4844.JPG
    777.8 KB · Просмотры: 1,529

Владуха

Активный участник
270
0
  1. HARLEY-DAVIDSON
  2. KTM
  1. BMW R 1250 GS
У меня тумблер, который с пролайтом шёл. На всякий случай, гляну на сколько ампер он . По потреблению допсвета , вопроса нет. Оно понятно. Вопрос сколько ампер на аксессуары допустимо вешать?
 
а кнопка включения доп света? как без реле - через кнопку 10 ампер пускать? в допсвете стояли плавкие предохранители на 5 ампер, из чего я сделал вввод что больше 10 ампер не потребят, отрезал предохранители и запитал напрямую через асс2.
наконец то на улице будут видеть.
Блиннн, вот класс, даже завидно!)))Так имхо должно быть в базе у каждого мотоцикла!
 

Spayn

Участник
177
0
  1. KTM 1190 Adventure
мне почему то в 165 обошлась. хз может акция какая то была. на али надо смотреть норм лампочки - я купил в машину сыну какие то здоровые такие, за 1000 руб, говно оказалось. сын сам нашел другие - 3000 р за пару, с резисторами уже. вроде нормально светят. но в ктм я их не ставил. комп на колесах, еще спалю на фиг. да и менять лампочки тот еще гемор на суперадвенчере

так лампочка примерно такая же как и у циклопов. Хз какие они с али, у advmonster светит не хуже.
 

Jagurda

Участник
111
0
Москва
  1. KTM 1190 Adventure
А я запитал напрямую с аккумулятора через предохранитель и реле, только информационный где-то под фарой врезал (не помню от чего). Так надёжней, вешать можно сколько угодно.
 

AK74

Активный участник
915
0
Бирюли Хиллз
  1. HONDA
  1. KTM 1290 Adventure
так лампочка примерно такая же как и у циклопов. Хз какие они с али, у advmonster светит не хуже.
так они все на чипах cree в китае деланные, но чипы бывают разные совсем.
А я запитал напрямую с аккумулятора через предохранитель и реле, только информационный где-то под фарой врезал (не помню от чего). Так надёжней, вешать можно сколько угодно.
не понял что такое информационный. у меня от acc2 на релеху идут два провода, и из релехи на фары два и на кнопку два. что куда подключить - плюс кнопки запитать от асс2, а плюс релешки напрямую от аккумулятора? работать то будет? с другой стороны почему нет то, наверное будет.
 

Владуха

Активный участник
270
0
  1. HARLEY-DAVIDSON
  2. KTM
  1. BMW R 1250 GS
Полагаю, что под словом информационный , имелось ввиду управляющий. Джагурда сделал по-правильному. Силовое питание идет от аккумулятора, а управляющий приходит с аксессуаров через кнопку.
 

AK74

Активный участник
915
0
Бирюли Хиллз
  1. HONDA
  1. KTM 1290 Adventure
я правильно понимаю что надо входной плюс реле подключить напрямую к аккумулятору, а плюсовой провод от реле к кнопки перерезать и плюс от асс2 замкнуть на плюс кнопки, а плюсовой провод от реле к кнопке останется одиноко торчать из релехи?
 

Black Beard

Завсегдатай
9,188
1
1090 ADVENTURE 2017 € 13 400 (871000 ориентировочно по курсу 65)
1090 ADVENTURE R 2017 € 14 300 (ориентировочно 929500)
1290 SUPERADV S ORANGE 2017 € 17 100 (ориентировочно 1 111 000)
1290 SUPERADV S BLACK 2017 € 17 100 (ориентировочно 1 111 000)
1290 SUPER ADVENTURE T 2017 € 17 700 (ориентировочно 1150500. 4 мота из 5 доступных предоплачены)
1290 SUPER ADVENTURE R 2017 € 17 700 ( (ориентировочно 1150500).
 

Эдуард ktm1290

Новичок
31
0
Привет. Проста для инфы по кофрам . Я сейчас в андоре здесь гиви трекер стоит боковые 18т.р задние 16т.р . Проблема тока привезти их ).
У меня вопрос по фарам я правильно понял что вы на адвенчер фару нового образца поставили ? Можно фото)
 

RUMI

Завсегдатай
1,157
0
Москва
  1. BMW R 1200 GS Adv LC
1090 ADVENTURE 2017 € 13 400 (871000 ориентировочно по курсу 65)
1090 ADVENTURE R 2017 € 14 300 (ориентировочно 929500)
1290 SUPERADV S ORANGE 2017 € 17 100 (ориентировочно 1 111 000)
1290 SUPERADV S BLACK 2017 € 17 100 (ориентировочно 1 111 000)
1290 SUPER ADVENTURE T 2017 € 17 700 (ориентировочно 1150500. 4 мота из 5 доступных предоплачены)
1290 SUPER ADVENTURE R 2017 € 17 700 ( (ориентировочно 1150500).

Как раз в 16 году АДВ со скидками стоил в диапазоне 17500-18000 евро ))) но курс был 78-80 )))
А 17 для БМВ печалька по ценам ))) в марте 16
 

magadan

Завсегдатай
9,510
1
МСК
  1. BMW R 1200 GS Adv
1090 ADVENTURE 2017 € 13 400 (871000 ориентировочно по курсу 65)
1090 ADVENTURE R 2017 € 14 300 (ориентировочно 929500)
1290 SUPERADV S ORANGE 2017 € 17 100 (ориентировочно 1 111 000)
1290 SUPERADV S BLACK 2017 € 17 100 (ориентировочно 1 111 000)
1290 SUPER ADVENTURE T 2017 € 17 700 (ориентировочно 1150500. 4 мота из 5 доступных предоплачены)
1290 SUPER ADVENTURE R 2017 € 17 700 ( (ориентировочно 1150500).

Думаю...:boredom:
 

Владуха

Активный участник
270
0
  1. HARLEY-DAVIDSON
  2. KTM
  1. BMW R 1250 GS
Это рам. Где покупал?

отправлено издалека

Да, Рам. Шел в комплекте с навигатором, а второй пятак от предыдущих остался. Купить не проблема. В исполнении просто , надежно и не трясется.