Доброго времени суток, камрады !
После появления байка и первой загородной поездки в темное время суток, категорически встал вопрос о свете пернатого. Альтернатив было много, но я выбрал вариант, о котором вам и хочу поведать. Меня он устраивает на все свои деньги.
Свет хотелось сделать не просто мощным, а безопасным и универсальным на столько, на сколько это возможно. Просто поставить диодный доп свет как это делают многие мне не хотелось из-за того что, световой поток в таком случае будет либо широкий и короткий (ближний\птф), либо длинный и узкий (дальний). В втором случает будет ко всему прочему слепить встречку. Во время поиска доп света я наткнулся на интересные 2.5 дюймовые китайческие би-линзы (ПТФ\Дальн), которые народ устанавливает вместо штатных ПТФ чпокусов, десятых лансеров и прочих поповозок. В целом это обычные китайские линзы, китайского качества под китайский ксенон (лампы h11)
Сейчас идет уже как 2ой месяц использования. Я доволен. Отличная СТГ, хороший боковой обзор, относительно не большое энергопотребление (до диодов им конечно далеко, но все же) - 35 ватт каждая.
Больше всего парился с креплением линз к пернатому. Из 3-х миллиметрового листа железа вырезал крепление (с болтами М8 возможно ошибся, не важно, это больше условное обозначение, что бы объяснять было проще)
далее купил в леруашке квадратный алюминиевый профиль (пробовал из уголка, не то, жесткости мало) и в нем так же просверлил 4 отверстия под болты м6, далее собрал все это дело, прикрутил пластину к профилю болтами М6 а пластину к пернатому, болтами М8 (напоминаю, возможно ошибся и тут не М8) получив неплохое крепление для линз:
Позже хочу залить алюминиевый профиль в черный мат, хотя и так в глаза не бросается.
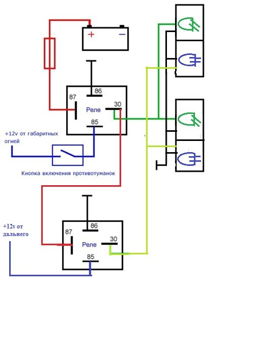
Подключал через 2 реле. Я ни разу не электрик, возможно это не правильно или можно было сделать проще, суть идеи с 2 реле лишь для того, что бы при включенном штатном дальнем шторки в этот момент были без нагрузки и напруга подавалась лишь в тот момент когда включен доп свет.
Прошу ссаными тряпками не закидывать, а конструктивную критики с удовольствием выслушаю и приму к сведению. Всем Мир ! :smile:
Так же прикрепляю фото СТГ да и вообще сравнение со штатным.
СТГ
Как светят на улице (ближний штат, ближний + доп птф, дальний + доп дальний)

После появления байка и первой загородной поездки в темное время суток, категорически встал вопрос о свете пернатого. Альтернатив было много, но я выбрал вариант, о котором вам и хочу поведать. Меня он устраивает на все свои деньги.
Свет хотелось сделать не просто мощным, а безопасным и универсальным на столько, на сколько это возможно. Просто поставить диодный доп свет как это делают многие мне не хотелось из-за того что, световой поток в таком случае будет либо широкий и короткий (ближний\птф), либо длинный и узкий (дальний). В втором случает будет ко всему прочему слепить встречку. Во время поиска доп света я наткнулся на интересные 2.5 дюймовые китайческие би-линзы (ПТФ\Дальн), которые народ устанавливает вместо штатных ПТФ чпокусов, десятых лансеров и прочих поповозок. В целом это обычные китайские линзы, китайского качества под китайский ксенон (лампы h11)
Сейчас идет уже как 2ой месяц использования. Я доволен. Отличная СТГ, хороший боковой обзор, относительно не большое энергопотребление (до диодов им конечно далеко, но все же) - 35 ватт каждая.
Больше всего парился с креплением линз к пернатому. Из 3-х миллиметрового листа железа вырезал крепление (с болтами М8 возможно ошибся, не важно, это больше условное обозначение, что бы объяснять было проще)
далее купил в леруашке квадратный алюминиевый профиль (пробовал из уголка, не то, жесткости мало) и в нем так же просверлил 4 отверстия под болты м6, далее собрал все это дело, прикрутил пластину к профилю болтами М6 а пластину к пернатому, болтами М8 (напоминаю, возможно ошибся и тут не М8) получив неплохое крепление для линз:
Позже хочу залить алюминиевый профиль в черный мат, хотя и так в глаза не бросается.
Подключал через 2 реле. Я ни разу не электрик, возможно это не правильно или можно было сделать проще, суть идеи с 2 реле лишь для того, что бы при включенном штатном дальнем шторки в этот момент были без нагрузки и напруга подавалась лишь в тот момент когда включен доп свет.
Прошу ссаными тряпками не закидывать, а конструктивную критики с удовольствием выслушаю и приму к сведению. Всем Мир ! :smile:
Так же прикрепляю фото СТГ да и вообще сравнение со штатным.
СТГ
Как светят на улице (ближний штат, ближний + доп птф, дальний + доп дальний)

Последнее редактирование: