Добрый день, друзья.:bye:
Столкнулся я с такой ситуацией, что на BMW R1150 GS нет русского мануала или хотя бы статейки по техническому обслуживанию.
Есть англоязычный мануал от официала на 50 мб. и еще один краткий на 20 страниц:dash2: из русских вариантов это темы с сообщениями аля "самый надежный аппарат", "ничего не ломается, нафиг мануал:biggrin:" и т.д.
С английским я не в ладах.
Решено составить свой мануал на первой странице этой темы.
Если есть полезная инфа - дополняйте!
Владельцы BMW GS1100/1150 серий на карте мира:
https://www.google.com/maps/d/edit?mid=z6ptrnHkjlaU.kX8KkZ-uQJLo
Для добавления в список пишите мне в личку по принципу:
1. Город/поселение проживания
2. Модель Гуся, год выпуска, год приобретения
3. Фото (можно загрузить через http://radikal.ru/)
Годы производства: 1999-2005
сентябрь 1999 г. – начало производства и продаж BMW R1150GS.
2001 г. – появление модификации BMW R1150GS Adventure.
конец 2002 г. – модель BMW R1150GS оснащается системой ABS 2-го поколения (интегральная, с сервоприводом усилителя тормозов). Двигатель имеет 2 свечи на цилиндр.
2003 г. – последний год производства BMW R1150GS.
2005 г. – последний год производства BMW R1150GS Adventure.
Бак 22л VS 30л
По опыту поездки: загорается лампа, можно ехать еще 50 км при скорости 120км\ч груженому с кофрами, если положить набок, для переливания из левой сиськи бензина в правую то можно проехать еще 30км(С) Kram[/URL]
R1150 GS 22L
R1150GS ADVENTURE 30L
R1100GS:
Металлический бак 24L
Пластмассовый бак 25L
Подвеска перед зад. выше на 25мм
Первая и шестая передача:
1-я передача- 2.045 против 2.38
6-я передача - 0.679 против 0.8
Сиденье: двойное против цельного
Передний тормоза дисковые: Дисковые, 2x305мм
Свечи зажигания: две против четырех (Twin spark), так же 4 свечи ставились на 1150GS после рестайлинга (2002г)
Генератор, Вт: 600 против 700
Сухая масса, кг: 228 против 219, как так я не понимаю....
Максимальная нагрузка (перед/задн), кг: 460 против 470
Двигатель
Число цилиндров 2
4 клапана на цилиндр, по 1 распредвалу в ГБЦ
Тип двигателя бензиновый
Число тактов 4
Система распределения OHV
Система охлаждения воздушно-масляная
Диаметр цилиндра 101 мм
Ход поршня 70,5 мм
Рабочий объем 1130 см3
Максимальная мощность 85 Л.с.
при оборотах 6750 об/мин
Максимальный крутящий момент 98 Нм
при оборотах 5250 об/мин
Степень сжатия 10.3:1
Система питания Впрыск топлива
Инжектор Bosch Motronic MA 2.4
Трансмиссия
Число передач 6
Все виды коробок на 1100 и 1150, с объяснениями про короткие и нормальные передачи.
Где находится номер коробки и другие подробности.
http://www.powerboxer.de/getriebe-kupplung/26-4v1-getriebecodes-der-r-11x0-baureihen
Тип привода на заднее колесо карданным валом
Электрика
Генератор 720W
Аккумулятор 12V/19Amp/h
Размер шин
Размер переднего колеса 110/80-19
Размер заднего колеса 150/70-17
Ходовая часть
Тип подвески переднего колеса телелевер
Тип подвески заднего колеса паралевер
Работа передней подвески:
ABS (можно отключать на бездорожье)
Тип тормоза переднего колеса два 305мм диска
Два 4х поршневых суппорта Brembo
Тип тормоза заднего колеса 265мм диск
Один 2х поршневой суппорт Brembo
Задний тормозной диск:
1) Оригинал 34 21 2314151
2) Ferodo FMD0075R
3) Brembo - 68.B407.C8
Размеры и масса
Длина 2180 мм
Ширина 980 мм
Высота 1435 мм
Высота по седлу 840/860 мм
Колесная база 1501 мм
Сухой вес 223 кг
Собственная масса по DIN, с полной заправкой 256 кг
Доп. полная масса 465 кг
Вместимость бензобака
обычный 22л
адвенчер 30 л (33л?)
Объем резервного бака 4.00 л
Рама
Композитная, передняя часть алюминиевая трубчатая
3-х секционная (поперечное разделение), несущий двигатель
Динамика и экономичность
Максимальная скорость 194 км/ч
Время разгона с места до 100 км/ч 4,3
90 км/ч - 4,6 л/100км
120 км/ч - 6,1 л/100км
1. Масло в двигатель 25W-50 (15W-50) ~50$
необходимый объем 3750ml(с заменой фильтра),3500ml(без замены)
Подбор масла http://masla.pusk12.ru/shop/podbor-...150gs-adventure-motorcycles-2003/#tableAnchor
Правильный замер: прогреть до 5 делений, заглушить и поставить на боковую подножку, подождать 5-10 минут, поставить на центр, смотреть уровень. (так же и при замене: прогреть, набок, подождать, сливать)
Дело в том что масла, около половины (может чуть больше) смотрового окошка, помещается в радиаторе. Если оставляем остывать на центрально то оно там так и остается, а потом еще и закрывается термостат. Потому если уже остывший на центральной поставить на боковую то масло не стечет из радиатора и будет казаться что его нет.
Что бы мотору стало плохо надо потерять 2 литра ниже уровня смотрового окна, потому если в окошке масло есть, значит все хорошо.
2. Фильтр масляный
- BMW 11 42 1 460 843 or 845
- Hiflo HF163 ~15$
- MANN MW 712\52 ~17$
- KNECHT OC 91 ~17$
- SOFIMA S 3224 R
- CHAMPION COF063
-Detlev Louis (Germany) 10050195
-DENCKERMANN A21 0006
Все размеры в мм.
Размер под ключ
76
Внутренний диаметр уплотнительного кольца
62
Наружный диаметр уплотнительного кольца
71
Резьба
3/4-16 UNF
Высота
79
Давление срабатывания перепускного клапана
UGV 1
2.50
P.S. Фильтр без клапана тоже можно ставить если масло меняется достаточно часто.
P.P.S. Замена фильтра производится с помощью: Съемник фильтров диаметр 74мм 14 граней. MAHLE KNECHT OCS 1
3. Фильтр воздушный
- BMW 13 71 1 341 528 ~ 30$
- Hiflo HFA7910 ~ 15$
- MANN C 1552 ~ 20$
- Champion ch v302
Характеристики:
Внешний диаметр [мм]: 148,5 мм
Внутренний диаметр: 75 мм
Внутренний диаметр 1(мм): 75 мм
Высота [мм]: 88 мм
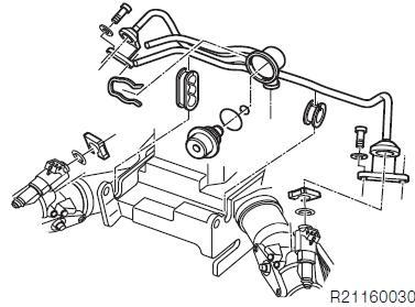
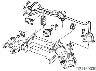
4.1 Свечи - 2 шт
Свеча зажигания NGK BKR7EKC M14 2шт
4.2 Свечи - 4шт
Свеча зажигания NGK BKR7EKC M14 2шт
Свеча зажигания Bosh YR6LDE M12 2шт (аналог NGK DCPR8EKC)
Как определить сколько свечей у гуся:
Первая картинка две свечи, вторая картинка четыре свечи
- BMW 12 12 7 653 771 ~13$
- NGK BKR7EKC или 7354 ~10$
- BERU 0002345504 ~5$
- DENSO K22TNR-S ~7$
Провод свечной для одинарного зажигания, аналог от BERU, партнамбер - ZE116
Пыльник шаровой в оригинале отсутствует. Подходит от X5, правда верхняя дыра чуть меньше, чем надо, но натянуть на верхнее кольцо можно. Партнамбер по Febest BMBJB-X5
взято с http://www.bmwclub.ru/vb/showthread.php?t=855475
Можно сделать пыльник самому:
http://www.bmwclub.ru/vb/showthread.php?t=860109
5. Масло в вилку
470*2 = 940ml - SAE 5-10(ATF ~7.5)
6. Сальники/пыльники
Оригинал BMW 31 42 2311988/31 42 2311980 размеры 35х48х11
Hans Pries 101 031 755 размеры 35х48х10, цена от 3$
Вобщем поставил себе в вилку сальники от авто Hans Pries 101 031 755 размеры 35х48х10, у него 2 юбки у родного 3. Залил масло 10w40(то что было из чистого под рукой) полет нормальный, несколько раз поднимал градусов под 30-40 и ронял, норм, вилка не течет.(С) Марк Крам
пыльник 31 42 2 311 980
7. Тормозные колодки перед
Обычный гусь
Оригинал BMW 34 21 2 335 465
Колодки на обычный GS
Адвенчер
Оригинал BMW 34 11 7 690 170
Колодки на Адвенчер
На брембовский суппорт размеры такие
На токико такие:
8. Тормозные колодки зад
Оригинал BMW 34 11 7 663 764
9. Аккумулятор 12V 19Ah
- EXIDE BATTERY EX12-19
- Yuasa YuMicron Batteries 51913
- Varta 12V 19А/ч (51913)
как менять аккумулятор на англ. языке http://bmwmoto.org/articles/article3.php
АКБ Delta CT 12201 (18А/ч) не лезет в бокс, шире на 5 мм. Родной ак 82 мм , Delta CT 12201 (18А/ч) 87 мм.(С)
10. Масло в кардан
250ml - SAE 80W90/API GL5
11. Масло в коробку
до нижнего края резьбы пробки маслоналивного отверстия, 0,8 литра (С)
1000ml - SAE 80W90/API GL5
Как часто менять:
Редуктор 2 года или 40000 км
Коробка 2 года или 20000 км
Проверка уровня при каждом ТО
12. Топливный фильтр
BMW 16 14 2 325 859 ~ 30$
KNECHT KL145
MANN MWK 44
FILTRON PS881 - НЕ ПРИМЕНЯТЬ! ЯВЛЯЕТСЯ ПЛАСТИКОВЫМ!
BIG GB-320
Как аналог с доработкой может подойти:
BOSCH 0 450 905 273
Фильтр довольно большой-чтоб поставить его на место штатного пришлось чуть обрезать штуцера фильтра на половину их длины с каждой стороны и заменить шланг (родной) который идет от насоса к фильтру(установить длиннее).
Размеры фильтра
D Внешний диаметр [мм] 49,6
H Высота [мм] 58
Высота [мм] 94
диаметр D2 (мм) 8
диаметр D3 (мм) 8
Фильтр грубой очистки топлива:
16 14 1 341 233
http://bmwclubmoto.ru/showthread.ph...-фильтра-и-др.?p=359567&viewfull=1#post359567
13. Сальники
сальник редуктора со стороны колеса 85X110X10 (33 12 7663482), либо не в пакетике от BMW - corteco (01027761B)
аналог Мазовский сальник(Манжета ведущего моста 5336-2402052-001, размер 2,2-85х110).
сальник первичного вала коробки (со стороны сцепления) 20X32X8 (23 12 7705086), аналог 20х32х7(12011115B) стоит в 8 раз дешевле, производство Италия.Еще аналог: Хонда (91249-PNC-003)
1. Если вы меняете сальник при ремонте коробки, то ставьте его после сборки и этому есть две причины - нагрев крышки при монтаже и главное, положение сальника. расстояние от сальника до проточки на валу, от которой начинаются шлицы- около миллиметра. Очень легко поставить сальник так, что он будет наезжать на прорезь(мне из за этого пришлось его снова менять, так как оно потекло)
2. Подходит сальник от УАЗА и Волги (входной вал рулевого), цена 15р - это в дополнение к Контековским сальникам
сальник со стороны переключения передач 14X22X5 (23 12 2330139), аналог хонда (91203-KK3-830)
сальник датчика включения передачи 10X18X6 (23 12 2330141)
сальник гидропривода сцепления на коробке 17X28X7 (23 12 7705085)
сальник хвостовика коробки на кардан 25X40X6 (23 12 2330135)
сальник двигателя со стороны сцепления 65X83X7 (11 11 1341135) аналог (81-33453-00) Rainz
сальник двигателя со стороны сцепления 65X85X7 (11 11 1341087) аналог (81-33452-00) Rainz
cальник исполнительного цилиндра (23 12 7705085) аналог отMitsubishi (MD 009038) не подходит: ПРУФ
сальник коробки со стороны кардана 23 12 2330135 аналог от ямахи 93101-25M03-00 (ПРОВЕРЕНО - ПОДХОДИТ), а в данном случае НЕ ПОДОШЕЛ (потек ПРУФ)
Сальники пруф ->ТЫК<-
на первичный вал: родной 20X32X8 (23 12 7705086) заменяется 20х32х7(12011115B) стоит в 8 раз дешевле, производство Италия. (разница в оригинале и сальнике Erling - https://bmwclubmoto.ru/showthread.p...а-фильтры-и-др?p=564909&viewfull=1#post564909)
сальники коленвала: фирма Rainz 81-33453-00 (оригинал 11 11 1 341 135) и 81-33452-00 (оригинал 11 11 1 341 087). Разница в цене 660р против 1500р за оригинал.
Сальник хвостовика редуктора (ориг. 33117665838): 35X47X7 504.483*фирма Erling. Еще варианты: http://m.exist.ru/price.aspx?pid=6E3002D7&sr=-4
Цитирую с "Мототревелс" , автор Himik "Да, имейте ввиду - сальник входного вала (со стороны кардана) редуктора БМВ - 35х47х7 не что иное как передний сальник коленвала Лады Ларгус, она же с*аная Дача Логан MCV, он же Рено и прочего тазопрома с реномоторами.(С)
http://www.powerboxer.de/motor/300-wellendichtringe-tauschen правильная установка сальников со стороны маховика
http://bmwclubmoto.ru/showthread.ph...-фильтра-и-др.?p=359572&viewfull=1#post359572 замена сальника коленвала
14. Диски сцепления
Пределы износа дисков сцепления
R1100 GS -новый 6мм предел износа 4.5мм
R1150 GS -новый 6.8 предел износа 4.8мм
Диск сцепления аналог
SACHS 1864 000 124
TRW MCC 608
маслостойкий диск 2122454 ( в каталогах экзиста его нет, ищите через поисковик)
есть еще керамичиский( по отзывам его невозможно убить) но цена космос http://www.touratech-usa.com/Store/PN-040-0351/Ceramic-Clutch-R1150GS-R1100S-165mm или вотhttp://www.rbracing-rsr.com/bmw_clutches.html. Говорят, что за последние 10лет никто не смог купить такой диск,их не производят.
Итальянский производитель http://www.newfren.com/, код продукта .F.1490
Feredo код FCD0617 http://ecat.ferodoracing.com/motorcycle/clutches/FCD0617
Смазка Keramik-Paste Артикул: 3418 для шлицев: http://liquimoly.ru/product_view.php?id=360 на экзисте есть
Первичный вал:
Вариант удлиненного: http://www.sunshinecoast.ca/bmw/InputShaft.pdf
Дебаты в соседнем форуме по теме удлиненного вала http://www.bmwclub.ru/vb/showthread.php?t=835625
15. Подшипники
1. Подшипник редуктора №1000917(отечественный), 6917 (зарубежный) размер:120х85х18
2. Подшипники маятника: спереди в маятнике стоят 17X40X13,25
а сзади по партнамберу стоят 10X32X17 (FAG 10-6465A) БМВшный каталожный номер 33 17 2 311 091
==================================================================
Инструмент:
Динамометрические ключи 5-25 Нм, 10-110 Нм и 40-210 Нм. (самый ходовой 10-110Нм)
5-25 - 1/4
10-110 - 3/8
40-210 - 1/2
==================================================================
1. Трос спидометра для Гуся подходит от Honda Lead(стоит 100-150рубелй)
Длинна троса спидометра на 1150 GS L=1040 MM
2. Немного про ABS
Сразу скажу что на версиях с 1999г по 2002г стоит ABS2 (версия без электро усилителя)
с 2002г по 2005г стоит IABS(версия с электро усилителем)
Определить можно так:
Нажимаем на тормоз и если стоит электро усилитель происходит характерное жужание под бензобаком https://moto.kiev.ua/attach/moto/1270900501104/1397592608298.mp3
Мой отчет, версия ABS2:
Включаю зажигание, моргают две лампы абс, начинаю движение лампы АБС начинают моргать поочередно.
Ну думаю надо ошибку скинуть, находим коричневый провод с голубой полосой(если не ошибаючь под цифрой 2) на штекере что лежит на воздушном фильтре (такой круглый с заглушкой), берем провод 20 см (почему 20 я не знаю, возможно можно и короче т.к сечение в инструкции не укзывается) и подсоединяем один конец к этому штекеру, другой на массу, включаем зажигание и нажимаем ктопку АБС на 8 секунд, при этом лампочки АБС тухнут а через 8 секунд когда отпустим кнопку, остается гореть только одна нижняя, все ошибки АБС сброшены.
Так же АБС может моргать из за того что не хватает заряда аккумулятора когда происходит пуск двигателя, т.к. у АБС в этот момент происходит тест системы.
Сброс ошибки мне не помог, но когда я прикурился дополнительно от машины во время пуска двигателя мото все стало нормально, в итоге купил сегодня новый аккумулятор.
Еще как то можно считать что именно за ошибка, но пока этого не изучил, мне не надо) хотя где то было описание...
ИМХО: АБС - весчь!
3. Симптомы смерти катушек зажигания
Катушка зажигания большой свечи.
Итак, после замены детали, могу с Павловской скрупулезностью ("...Не пейте, суки, записывайте: - У меня холодеют ноги...") описать симптомы медленной и мучительной для владельца BMW, смерти катушки зажигания:
- затрудненный холодный старт;
- неустойчивость холостых оборотов на непрогретом двигателе (от 400 до 1000);
- хлопки в глушителе при зажигании и при резком откручивании ручки газа;
- увеличенный расход топлива;
- неритмичность звука работающего двигателя (так звучит "троящий" двигатель авто);
- вынутая свеча дает искру, но в рабочей среде не воспламеняет топливо;
- нижние свечи мокнут, покрываются нагаром и выходят из строя;
Сдыхает эта б@дь постепенно и до полного выхода из строя, диагностировать неисправность, похожую на сотню причин (от засорившегося фильтра до заклинившего тросика) весьма затруднительно. Как говорится: "Как бы не болела, лишь бы померла!"
взято с https://moto.kiev.ua/trid/moto/1270900501104/183
Альтернативная версия. С информацией об аналоге катушки зажигания
http://www.bmwclub.ru/vb/showthread.php?p=25629219#post25629219
оригинал 12 13 7 715 853 , ее цена 6,5-7,5 тыр.
Аналог нашелся: Beru ZS385 цена:4тыр.
Есть, правда у них небольшие отличия:
http://fprinz.org/Motorrad/Technik/Primarzuendspulen/PZS.seite.php
4. Взаимозаменяемые детали:
Линза фары ближнего света - от ваз 2106 + герметик
Стекло фары - от Гольф 3 VR6
Фара ближнего света - стекло противотуманки mitsubishi grandis
Бензонасос - от ваз 2109
Замена - бензонасос Bosh или WEBER FP 453 453 для ВАЗ2110. Производство хоть Китай, хоть Германия - разница только в цене. Нареканий ни на тот, ни на другой нет. Нужно только для него сеточку грубой очистки тоже десятошную купить и переделать разъем питания: у родного подсоединяется на кольцевыми клеммами на проводах и шпильками на насосе, а на 2110 идет двухконтактный разъем "папа-мама". Родные клеммы советую не отрезать, а подсоединить к ним нужный разъем и заизолировать место соединения термоусадкой.
Перед этим обязательно проверить состояние фильтра тонкой очистки топлива (как давно менялся?), удалить воду и возможный мусор из бака и заправить бак, т.к при малом количестве бенза насос может хватать воздух, а это его убивает.
То, что "Затрещал бензонасос на боковой подножке", говорит как раз о том, что бензина мало и он перетек на левую сторону, осушив бензонасос.
По западным форумам советуют насос HFP-439B ,на Амазоне тоже все довольны. И пожизненная гарантия ,что актуально для жителей Европы.
+UPD Китайцы научились делать топливный фильтр грубой очистки под родной бензонасос имеет присоединительный размер 19мм . (искать на китайплатформах по номеру 16141341233)
Так же, по непроверенной информации, 1-в-1 подходит фильтр от Tahoe/Escalade/Camaro. + еще одна модель AIRTEX FS30 A
Трос спидометра от Honda Lead
Пыльник шаровой подходит от X5, правда верхняя дыра чуть меньше, чем надо, но натянуть на верхнее кольцо можно. Партнамбер по Febest BMBJB-X5
Ремень генератора
От Гусевода из нашей группы Вконтакте пришла инфа по ремню генератора.
Цитирую:
Ribbed V-belt -4pk592 это штатный ремень. Обозначает, что это поликлиновый 4-х ручейковый ремень длинной 592мм. С этим размером идем в запчасти и просим подобрать подходящий с небольшим отклонением по длинне.
Например: http://www.rusimport.com/price/dayco/4pk592
Ставил на 1150GS и на 1100R одинаковые ремни 4pk610. Разных фирм. Подошли без проблем. Ход регулировки генератора позволяет поставить ремень и немного подлиннее. (С)
Ребята, при покупке ремня генератора, обращайте внимание на длину ремня на ВАШЕМ мотоцикле. Я заказал ремень Ribbed V-belt -4pk592 (это тот, который дан как штатный) фирмы continental, для своего Гуся (2000год). Стал ставить, выяснилось, что ремень мал, а у меня стоял 4рk611, вернул, перезаказал, завтра привезут, но у меня магазин напротив дома, а если у кого-то до магазина семь вёрст и всё лесом... . Кстати понравилась разница в цене: Родной ремень на bmwcats 1186-1338руб., в зависимости от срочности заказа, ремень фирмы Continental c доставкой на следующий день - 325руб. (С)
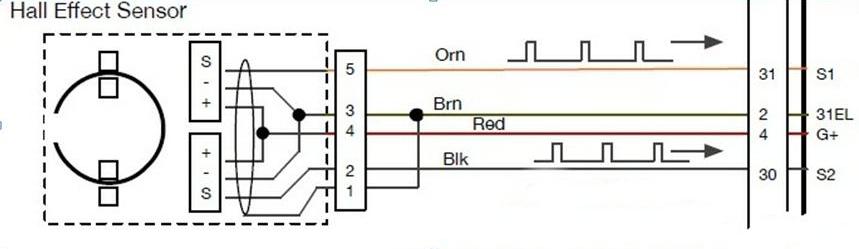
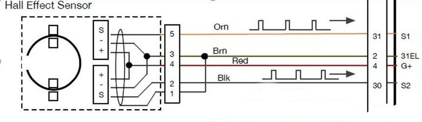
Датчик Холла который стоит на 1150 GS 2AV54, один в один от Датчик Холла ВАЗ-2109 (OBSOLETE) http://www.chipdip.ru/product/2av54
Китайский тормозной диск ->ТУТ<- Пруф здесь
Колёса передние 1150 и 1200
немного полезной инфы с https://moto.kiev.ua/trid/moto/1270900501104/203
Недавно задавал вопрос по установке переднего колеса с 1150GS на 1200GS. Так вот обод оказался один в один, спицы тоже, различия только в ступице. Колесо было переспицовано и успешно установлено на 1200 гуся.
Я еще где то встречал что сальник редуктора со стороны колеса 85X110X10 (33 12 7663482) подходходит от МАЗа, ну это на случай поломки в дороге. Мазовский сальник(Манжета ведущего моста 5336-2402052-001, размер 2,2-85х110).
микроВыключатель стопа передний и задний можно найти аналог в Чип и Дип за 31 руб(слева на фото)
Крепление защиты картера BMW 11111343054 L=47MM, аналог от ВАЗ 2110 6104716
5. Подшипник паралевера тянется по мануалу с моментом 7 н/м, но на практике из за использования в данном узле локтайта значение момента снижается и через приблизительно 1000-2000 км люфт снова наблюдается.
Тянем моментом 10 н/м и при затягивании покачиваем редуктор.
6. Таблица Мотроника
7. Проблема с неработающим цилиндром
Причина: это был тросик. Все банально и просто. Тросик газа выскочил со своего места, а точнее рубашка тросика газа выскочила с места крепления на 2-3мм на правом цилиндре.
Вставил на место и байк завелся и заработал ровно, как и положено.
Вот так он выскочил.
А теперь мое понимание того что же было?
Пока байк стоял и я пару раз снимал эту боковую крышку под баком чтобы посмотреть что топливные шланги проложены неправильно или поставить на место 1 резинку крепления этой крышки... В общем как-то незаметно тросик выскочил из своего места.
Выскочивший тросик привел к тому, что правая заслонка поднималась не синхронно с левой. Судя по всему запаздывала на пару мм. А датчик положения заслонки стоит слева. Он как положено определял положение заслонки, мозги рассчитывали сколько лить топлива. Форсунки подавали топливо, свечи давали искру. Но в правом цилиндре было слишком мало воздуха и топливо-воздушная смесь банально не поджигалось. Из-за этого и мокрые свечи.
И я еще в начале заметил что если дать газу, после 3000 оборотов правый цилиндр немного схватывал. Что тоже логично, заслонка поднималась, смесь была слишком богатая, но иногда детонировала, может даже не из-за искры, а сама по себе, за счет быстрого сжатия на таких оборотах.
8. Таблица нормативов по расходникам от MOTO-COMPANY
9. Не для кого не секрет, что крепление стеклышек поворотников сделано так, чтобы ломалось при закручивании удерживающего винта.
Чутка перекрутил - хрясь - покупай новое (у официалов цена 600р).
Одно из задних стеклышек у меня уже улетело (видно вкрутили хорошо предыдущие хозяева). Посему знаю цену официалов.
Второе стеклышко я снимал недавно, т.к. перестала работать лампочка поворотника - причиной оказался выкрутившийся из гнезда цоколь лампы (не уж то такие вибрации). А вот на креплении стеклышка я обнаружил трещину, т.е. скоро и это стекло должно было улететь.
В общем сделал апгрейд: стянул крепеж тонкой стяжкой. Начал вкручивать обратно - хрясь - крепеж просто оторвался от стекла.
Вот почему нельзя целиком залить угол с местом крепежа и просто дырочку сделать?? Обязательно на тонкой ножке такую вещь делать(кстати она еще полая внутри).
Пришлось колхозить с помощью супер клея и зубочистки дополнительное усиление изнутри ножки и приклеить ножку к боковой стенке стеклышка.
Смотрите результат:
10. Укрепляем Гусю Хвост, а так же какие симптомы отваливающегося оперения надо смотреть http://bmwclubmoto.ru/showthread.ph...-фильтра-и-др.?p=314409&viewfull=1#post314409
11. Как считывать ошибки без заводского сканера на R1100 GS и R1150 GS
http://bmwclubmoto.ru/showthread.ph...-фильтра-и-др.?p=352533&viewfull=1#post352533
11.1. Снимаем коды ошибок с MOTRONIC 2.2 с помощью подручных средств.
Maver, форум Oppozit.ru
Оригинал: http://www.largiader.com/articles/motronic.html
Актуально для моделей с мотроником 2.2:
R1100GS 1993 - 1999 MA2.2 ABSII
R1100R 1994 - 2001 MA2.2 ABSII
R1100RS 1993 - 2001 MA2.2 ABSII
R1100RT 1995 - 2001 MA2.2 ABSII
R850GS 1999 - 2002 MA2.2 ABSII
R850R 1994 - 2003 MA2.2 ABSII
R850RT 1998 - 2002 MA2.2 ABSII
K1100LT 1994 - 1999 MA2.2 ABSII
K1100RS 1994 - 1997 MA2.2 ABSII
Для более новых моделей есть другие решения:
http://www.gs911usa.com/gs-911-faq.php
1.Итак, нам понадобится аналоговый тестер (Цифровой недостаточно быстр, и могут быть ошибки считывания), кусок провода. Вместо тестера также может быть использован диод с резистором, или например пробник на 12В.
Я использовал цифровой тестер, воспринимается с него хреново, я нацепил параллельно волшебный диод из поста про настройку положения датчика холла и все стало офигенно удобно и понятно . Лампа мигает, считаем провалы, складываем в коды. Возможно тестер и не нужен. Пробуйте сами.
2. Находим диагностический 3-пиновый разъем (на R1100RT под задним сиденьем, у других не знаю, где-то там же). Один щуп тестера на пин один (1), (на корпусе пронумерованы), второй на массу (Аккумулятор или рама), включите зажигание (RID (Rider info display, панель, где показывается время, темп. масла и т.д. должен гореть, т.е. стоп двиг в положении вкл, боковая подножка сложена) должен быть активен!)
3. Отдельным кабелем соединить тот же разъем 1 на массу на не менее чем 5 секунд, убрать провод
4. Стрелка вольтметра должна упасть до нуля, на 2.5 секунды, затем вернуться на 12V (лампа погасла, затем загорелась).
5. Серия коротких провалов до нуля -- считайте количество провалов (короткие затухания диода).
6. Короткая пауза 2.5 сек
7. 5 и 6 пункты повторяются еще 3 раза с разным числом провалов.
8. Вы получили 4 цифры, это и есть диагностические код Мотроника (смотри таблицу далее)
9. Код будет выдаваться до тез пор, пока вы снова не заземлите 1-й разъем (пункт 3)
10. После этого будет выдан следующий код, если есть. Опять заземляете пин 1, пока коды не кончатся. Кончится вывод кодов сигналом 0000 -- четыре более длинных чем обычно провалов.
* Если вы не запускали двигатель, или запускали на очень короткое время вы получите коды 1122 и 1133,
это нормально (код положения датчика холла)
Пример: Один провал - пауза - один провал - пауза - два провала - пауза - два провала - пауза - длинный провал - пауза (повтор) => код 1122
Motronic Codes
0000 no further fault stored (Больше (далее) нет ошибок)
1111 CO potentiometer (CO Потенциометр)
1122 Hall signal 1 (Положение датчика холла 1)
1133 Hall signal 2 (Положение датчика холла 2)
1215 Throttle butterfly angle sensor (Датчик положения дроссельной заслонки)
1223 Engine temperature sensor (Датчик температуры двигателя)
1224 Air temperature sensor (Датчик температуры ваздуха)
2341 Oxygen sensor at limit (Лямбда зонд на предельном значении)
2342 Oxygen sensor signal invalid (Сигнал лямбда-зонда неправильный)
2343 mixture setting at limit (Настройки смеси на предельном значении)
2344 Oxygen sensor shorted to ground (Лямбда зонд замкнут на землю)
2345 Oxygen sensor shorted to 12V (Лямбда зонд замкнут на 12V)
4444 no fault stored (Нет сохраненных ошибок)
Очистить память от ошибок: вынуть 5-й предохранитель на несколько секунд.
12. Возможна проблема возникновения стука в коробке R1150GS
Природа стука в сцеплении 1150 http://www.youtube.com/watch?v=V8MAWArt7Ew
13. Настройки БМВ R1100-1150GS своими руками
Trucker (Американец), форум Jokers MC, Калуга. http://blackbears.ru/forum/viewtopic.php?t=1553
Предлагаю некоторые основные настройки для БМВ 1100-1150 GS. Операции просты и нет необходимости кому-то за них платить.
I) Reset - Перезагрузка АВS: -восстановление заводских настроек.
1. Снять седло, найти трехпроводный штекер "мама" с синей заглушкой. Снять ее.
2. Подключить средний вывод с помощью обычного провода на "массу".
3. Включить зажигание, нажать и держать кнопку АВС в течение 8-10 секунд.
4. Отпустить кнопку, выключить зажигание.
5. Заглушку вернуть на место.
II) Перезагрузка "Motronic", т.е. системы впрыска.
1. Открыть блок предохранителей. Зажигание выключено!
2. Вытащить 5-й предохранитель (это Motronic), и можно еще 6-й (счет идет слева направо, глядя по ходу мотоцикла).
3. Подождать минуту и вставить назад в обратном порядке (зажигание не трогать!)
4. Теперь включить зажигание и два - три раза открыть и закрыть дроссельную заслонку до упора (при этом компьютер считывает показания)
Выключить зажигание. Все, заводские настройки перезагружены.
III) Установка потенциометра положения дроссельной заслонки.
1. Отпустить все тросы к дроссельным заслонкам: к левому цилиндру и между ними - к правому.
2. Отвинтить упоры дросселей как можно больше, чтобы заслонки легли на корпуса плотно.
3. Снять резиновый чехол с потенциометра и подключить миливольтметр к красно-белому проводу (крайний справа). Второй провод тестера - на массу.
4. Включить зажигание и установить напряжение 0 В(ноль) либо 0,006 В, двигая потенциометр (предварительно, понятно, ослабив болтики).
5. Закрепить болтики. Таким образом, полностью закрытая заслонка соответствует значению 0 или 0,006 В. Название этой операции: "Zero to zero"
6. Левым упором дросселя, закручивая его, выставить 0,36...0,39 В по миливольтметру. Меньшее значение- смесь беднее.
7.Правым упором и тросом к правому синхронизировать пр.цилиндр по левому. Левый больше не трогать!
8.Проверить холостые, если больше 1100-1200 об/мин, уменьшить вольтаж на 0.02В. Но не менее 0,36 В!. Система "не понимает" меньшее значение.
9. Проверить синхронизацию. Все регулировки - только правым цилиндром!
10. Обязательно сделать Reset Motronic(а), т.к. положение потенциометра изменилось.
Для сведения: своб. ход тросов - 0,5 мм, болты байпасов на корпусах обычно открыты где-то на 2 оборота.
Для любителей поэкспериментировать с прошивкой топливной карты:
В блоке предохранителей есть посередине так называемый ССР (Cat Code Plug). Существует несколько их разновидностей (они разноцветные). Смысл - в подборе наилучших характеристик для мотора. Технически это простые перемычки между контактами, т.е. элементарно их повторить. Например в следующих приемлемых комбинациях перемкнуты:
Без ССР вообще - система выдает мощностные показатели, но СО зашкаливает (3-8%) и катализатор можно легко сжечь. Ездить так не рекомендуется. Если в этом варианте что-то изменилось в лучшую сторону, стоит пробовать другие комбинации. Если нет - стандартный ССР лучше.
Розовый ССР: 30-87-87а - с катализатором - обычная хорошая схема
Бежевый ССР: 30-87а (без катализатора)
Желтый ССР: 30-87 - считается лучшей для RS, а на GS лично мне не понравилось.
Коричневый ССР: 30-86-87-87а (для Швейцарии) - отзывы для RS плохие.
Экспериментируя, нужно после каждой замены ССР перезагрузить Motronic (см. II).
14. Дренажное отверстие горловины бака и его засор.
совет: дренаж засоряется очень быстро и вся вода, жижа и шняга попадает в бак с открытием лючка.. основная проблема в латунной трубке что идет из бака наружу (на конструкции крепления бензонасоса). эта трубка с изгибом, в этом изгибе накапливается грязь и забивает отверстие, со временем начинет откладываться что то вроде ржавчины и отверстие уже не пробить.
лечится просто - откусываете кусок этой трубки вместе с изгибом. остается примерно 1,5 см трубки, ее вполне хватает для закрепления на ней шланга с хомутом.
ранее регулярно мучился, но уже как 50 тыщ - полет нормальный.
15. ABS мод для BMW R1100GS или как решить проблему ABS при слабом заряде аккумулятора.
http://bikepost.ru/blog/52408/ABS-mod-dlja-BMW-R1100GS.html
16. Решение проблемы с зажиганием у BMW Twin Spark (про устранение баварских косяков систем двойного зажигания)
http://bikepost.ru/blog/55892/Reshenie-problemy-s-zazhiganiem-u-BMW-Twin-Spark.html
ВИДЕО РУКОВОДСТВА:
1. Замена масла https://www.youtube.com/watch?v=Pcfp386WeVE
2. Замена топливного фильтра или бензонасоса https://www.youtube.com/watch?v=1bl3H89xtS8
3. Регулировка клапанов https://www.youtube.com/watch?v=iVplES7DROk (см. так же п. 15)
4. Убираем АБС https://www.youtube.com/watch?v=bQOFally0mk
5. Замена подшипников редуктора https://www.youtube.com/watch?v=f8_4lpAFLqk
6. Балансировка мото колес https://www.youtube.com/watch?v=PopVEm1CZQ8
7. Бортировка колес https://www.youtube.com/watch?v=V0nrZadIQxA
8. Регулировка подшипников заднего маятника http://www.youtube.com/watch?v=Of5l2Qom6QM
9. Ремонт вилки(замена сальников)
этап 1 https://www.youtube.com/watch?v=SzF-_ldTs1U
этап 2 https://www.youtube.com/watch?v=lm7JL8dAjqk
этап 3 https://www.youtube.com/watch?v=dHeJhO6RTLA
этап 4 https://www.youtube.com/watch?v=D7p9JvCJY2Q
этап 5 https://www.youtube.com/watch?v=8DgHF5beVOU
этап 6 https://www.youtube.com/watch?v=437efPXNCD4
этап 7 https://www.youtube.com/watch?v=yCA9frJqk20
10. Проверка датчика холла http://youtu.be/qrqHRJqLmBY
11. Замена сальника хвостовика редуктора R1150 от king_kobra : http://www.youtube.com/watch?v=qp2bdBnd6zY
12. Модернизация втулки диска: https://www.youtube.com/watch?v=fUhNVHFyQKY&list=UURZEzmVmi88hqnVKe7d-wIg
13. Замена входного вала: https://www.youtube.com/watch?v=INEhEkE6ejM&list=UURZEzmVmi88hqnVKe7d-wIg
14. Снятие установка коробки R1150RT : http://bmwclubmoto.ru/showthread.php/16208-Снятие-установка-коробки-R1150RT-Видео
15. Регулировка клапанов по русски: https://youtu.be/BU-8oumPRRg
16. Чистка форсунок инжектора https://youtu.be/kno1o0pkwwQ
17. https://www.youtube.com/watch?v=NBX2qWHfHHc ремонт перегоревшего обогрева ручек и смена грипсы
18. Регулировка коромысел https://youtu.be/qZhJjOzLe0s
19. Ремонт дросселей https://youtu.be/8ee5Vpf7eEg
20. Синхронизация https://youtu.be/69fSkGDt-2k
21. Более полное видео о переборке редуктора https://youtu.be/hVK_lpFoFok
22. Регулировка параллевелера https://youtu.be/mCNCbRu8cNQ
22. Замена подшипников переднего колеса https://youtu.be/018x-ZcmhOw
23. Замена родного АБС на ABS Honda cb1000r, с 2008 по 2016 г https://youtu.be/cIXOjttMSTI
=============================================
Обучение пользования тяжелым эндуро (с переводом Антона Стилета)
1. Уроки Clinton Smout Клинтон Смаут
https://www.youtube.com/watch?v=fmMlm0q-4kA&list=PLMBsGKsMawh6QJr1CDf_wsJGvK2wDfJWo
2. Основы езды на тяжелом эндуро
https://www.youtube.com/playlist?list=PLMBsGKsMawh7Q76r-GWpOTMqRM9f1p_K1
3. Продвинутое вождение тяжелых эндуро
https://www.youtube.com/playlist?list=PLMBsGKsMawh5i60XgboeYiXKvc7cutnJA
4. Adam Riemann Адам Риман
https://www.youtube.com/playlist?list=PLMBsGKsMawh49df69PeK96CGaTZX1FtnR
5. Обзоры турэндур
https://www.youtube.com/playlist?list=PLMBsGKsMawh5qosOCL8tgNU5zBsjk-QVF
=============================================
UPD: Kram
По 1100GS
1. Руководство по технической эксплуатации двигателя bmw r 1100 S" http://yadi.sk/d/_uf7otijBeyGK
Спасибо Yurok за заливку!
2. http://www.ibmwr.org/r-tech/oilheads/R11inj-surging-fixes.shtml расширенная инфа о том, как можно играться с мотроником и инжектором в целом на моделях R1100
3. http://www.bmwclub.ru/vb/showthread.php?t=446118 разборка 1100 гуся в картинках
4. http://sinus.vl.ru/forum/showthread.php?t=19422#.UzZ_2_l_uT9 личное техническое обслуживание, R1100GS
5. http://www.mac-pac.org/wp-content/uploads/2011/01/R1100RT_Elec_Diagram.pdf Электро схема на R1100 GS
6. Еще одна
7. http://spang-air.de/e/BMW_R1100S_motorcycle_engine_-_installation.pdf Установка двигателя на самолет
Сайты о гусях:
http://www.gs-forum.eu/r-1150-gs-und-r-1150-gs-adventure-93/ германские собратья
https://vk.com/BMW_R_1150GS группа 1150 гусеводов Вконтакте
http://bmwboxerclub.ru/materialy-po-remontu-i-obsluzhivaniyu/ Сайт оппозитных мотоциклов BMW
СЕРВИСНЫЙ МАНУАЛ НА РУССКОМ ЯЗЫКЕ BMW R1150GS
http://rutracker.org/forum/viewtopic.php?t=4613235
Полезные ссылки и еще куча полезной инфы в пост №4 и №5 ниже переехали смотри туда.
Столкнулся я с такой ситуацией, что на BMW R1150 GS нет русского мануала или хотя бы статейки по техническому обслуживанию.
Есть англоязычный мануал от официала на 50 мб. и еще один краткий на 20 страниц:dash2: из русских вариантов это темы с сообщениями аля "самый надежный аппарат", "ничего не ломается, нафиг мануал:biggrin:" и т.д.
С английским я не в ладах.
Решено составить свой мануал на первой странице этой темы.
Если есть полезная инфа - дополняйте!
Владельцы BMW GS1100/1150 серий на карте мира:
https://www.google.com/maps/d/edit?mid=z6ptrnHkjlaU.kX8KkZ-uQJLo
Для добавления в список пишите мне в личку по принципу:
1. Город/поселение проживания
2. Модель Гуся, год выпуска, год приобретения
3. Фото (можно загрузить через http://radikal.ru/)
Общая информация
Годы производства: 1999-2005
сентябрь 1999 г. – начало производства и продаж BMW R1150GS.
2001 г. – появление модификации BMW R1150GS Adventure.
конец 2002 г. – модель BMW R1150GS оснащается системой ABS 2-го поколения (интегральная, с сервоприводом усилителя тормозов). Двигатель имеет 2 свечи на цилиндр.
2003 г. – последний год производства BMW R1150GS.
2005 г. – последний год производства BMW R1150GS Adventure.
Отличия 1150GS от 1150GS Adventure
Бак 22л VS 30л
По опыту поездки: загорается лампа, можно ехать еще 50 км при скорости 120км\ч груженому с кофрами, если положить набок, для переливания из левой сиськи бензина в правую то можно проехать еще 30км(С) Kram[/URL]
R1150 GS 22L
R1150GS ADVENTURE 30L
R1100GS:
Металлический бак 24L
Пластмассовый бак 25L
Подвеска перед зад. выше на 25мм
Первая и шестая передача:
1-я передача- 2.045 против 2.38
6-я передача - 0.679 против 0.8
Сиденье: двойное против цельного
Передний тормоза дисковые: Дисковые, 2x305мм
Свечи зажигания: две против четырех (Twin spark), так же 4 свечи ставились на 1150GS после рестайлинга (2002г)
Генератор, Вт: 600 против 700
Сухая масса, кг: 228 против 219, как так я не понимаю....
Максимальная нагрузка (перед/задн), кг: 460 против 470
Двигатель
Число цилиндров 2
4 клапана на цилиндр, по 1 распредвалу в ГБЦ
Тип двигателя бензиновый
Число тактов 4
Система распределения OHV
Система охлаждения воздушно-масляная
Диаметр цилиндра 101 мм
Ход поршня 70,5 мм
Рабочий объем 1130 см3
Максимальная мощность 85 Л.с.
при оборотах 6750 об/мин
Максимальный крутящий момент 98 Нм
при оборотах 5250 об/мин
Степень сжатия 10.3:1
Система питания Впрыск топлива
Инжектор Bosch Motronic MA 2.4
Трансмиссия
Число передач 6
Все виды коробок на 1100 и 1150, с объяснениями про короткие и нормальные передачи.
Где находится номер коробки и другие подробности.
http://www.powerboxer.de/getriebe-kupplung/26-4v1-getriebecodes-der-r-11x0-baureihen
Тип привода на заднее колесо карданным валом
Электрика
Генератор 720W
Аккумулятор 12V/19Amp/h
Размер шин
Размер переднего колеса 110/80-19
Размер заднего колеса 150/70-17
Ходовая часть
Тип подвески переднего колеса телелевер
Тип подвески заднего колеса паралевер
Работа передней подвески:
ABS (можно отключать на бездорожье)
Тип тормоза переднего колеса два 305мм диска
Два 4х поршневых суппорта Brembo
Тип тормоза заднего колеса 265мм диск
Один 2х поршневой суппорт Brembo
Задний тормозной диск:
1) Оригинал 34 21 2314151
2) Ferodo FMD0075R
3) Brembo - 68.B407.C8
Размеры и масса
Длина 2180 мм
Ширина 980 мм
Высота 1435 мм
Высота по седлу 840/860 мм
Колесная база 1501 мм
Сухой вес 223 кг
Собственная масса по DIN, с полной заправкой 256 кг
Доп. полная масса 465 кг
Вместимость бензобака
обычный 22л
адвенчер 30 л (33л?)
Объем резервного бака 4.00 л
Рама
Композитная, передняя часть алюминиевая трубчатая
3-х секционная (поперечное разделение), несущий двигатель
Динамика и экономичность
Максимальная скорость 194 км/ч
Время разгона с места до 100 км/ч 4,3
90 км/ч - 4,6 л/100км
120 км/ч - 6,1 л/100км
Расходники
1. Масло в двигатель 25W-50 (15W-50) ~50$
необходимый объем 3750ml(с заменой фильтра),3500ml(без замены)
Подбор масла http://masla.pusk12.ru/shop/podbor-...150gs-adventure-motorcycles-2003/#tableAnchor
Правильный замер: прогреть до 5 делений, заглушить и поставить на боковую подножку, подождать 5-10 минут, поставить на центр, смотреть уровень. (так же и при замене: прогреть, набок, подождать, сливать)
Дело в том что масла, около половины (может чуть больше) смотрового окошка, помещается в радиаторе. Если оставляем остывать на центрально то оно там так и остается, а потом еще и закрывается термостат. Потому если уже остывший на центральной поставить на боковую то масло не стечет из радиатора и будет казаться что его нет.
Что бы мотору стало плохо надо потерять 2 литра ниже уровня смотрового окна, потому если в окошке масло есть, значит все хорошо.
2. Фильтр масляный
- BMW 11 42 1 460 843 or 845
- Hiflo HF163 ~15$
- MANN MW 712\52 ~17$
- KNECHT OC 91 ~17$
- SOFIMA S 3224 R
- CHAMPION COF063
-Detlev Louis (Germany) 10050195
-DENCKERMANN A21 0006
Все размеры в мм.
Размер под ключ
76
Внутренний диаметр уплотнительного кольца
62
Наружный диаметр уплотнительного кольца
71
Резьба
3/4-16 UNF
Высота
79
Давление срабатывания перепускного клапана
UGV 1
2.50
P.S. Фильтр без клапана тоже можно ставить если масло меняется достаточно часто.
P.P.S. Замена фильтра производится с помощью: Съемник фильтров диаметр 74мм 14 граней. MAHLE KNECHT OCS 1
3. Фильтр воздушный
- BMW 13 71 1 341 528 ~ 30$
- Hiflo HFA7910 ~ 15$
- MANN C 1552 ~ 20$
- Champion ch v302
Характеристики:
Внешний диаметр [мм]: 148,5 мм
Внутренний диаметр: 75 мм
Внутренний диаметр 1(мм): 75 мм
Высота [мм]: 88 мм
4.1 Свечи - 2 шт
Свеча зажигания NGK BKR7EKC M14 2шт
4.2 Свечи - 4шт
Свеча зажигания NGK BKR7EKC M14 2шт
Свеча зажигания Bosh YR6LDE M12 2шт (аналог NGK DCPR8EKC)
Как определить сколько свечей у гуся:
Первая картинка две свечи, вторая картинка четыре свечи
- BMW 12 12 7 653 771 ~13$
- NGK BKR7EKC или 7354 ~10$
- BERU 0002345504 ~5$
- DENSO K22TNR-S ~7$
Провод свечной для одинарного зажигания, аналог от BERU, партнамбер - ZE116
Пыльник шаровой в оригинале отсутствует. Подходит от X5, правда верхняя дыра чуть меньше, чем надо, но натянуть на верхнее кольцо можно. Партнамбер по Febest BMBJB-X5
взято с http://www.bmwclub.ru/vb/showthread.php?t=855475
Можно сделать пыльник самому:
http://www.bmwclub.ru/vb/showthread.php?t=860109
5. Масло в вилку
470*2 = 940ml - SAE 5-10(ATF ~7.5)
6. Сальники/пыльники
Оригинал BMW 31 42 2311988/31 42 2311980 размеры 35х48х11
Hans Pries 101 031 755 размеры 35х48х10, цена от 3$
Вобщем поставил себе в вилку сальники от авто Hans Pries 101 031 755 размеры 35х48х10, у него 2 юбки у родного 3. Залил масло 10w40(то что было из чистого под рукой) полет нормальный, несколько раз поднимал градусов под 30-40 и ронял, норм, вилка не течет.(С) Марк Крам
пыльник 31 42 2 311 980
7. Тормозные колодки перед
Обычный гусь
Оригинал BMW 34 21 2 335 465
Колодки на обычный GS
Адвенчер
Оригинал BMW 34 11 7 690 170
Колодки на Адвенчер
На брембовский суппорт размеры такие
На токико такие:
8. Тормозные колодки зад
Оригинал BMW 34 11 7 663 764
9. Аккумулятор 12V 19Ah
- EXIDE BATTERY EX12-19
- Yuasa YuMicron Batteries 51913
- Varta 12V 19А/ч (51913)
как менять аккумулятор на англ. языке http://bmwmoto.org/articles/article3.php
АКБ Delta CT 12201 (18А/ч) не лезет в бокс, шире на 5 мм. Родной ак 82 мм , Delta CT 12201 (18А/ч) 87 мм.(С)
10. Масло в кардан
250ml - SAE 80W90/API GL5
11. Масло в коробку
до нижнего края резьбы пробки маслоналивного отверстия, 0,8 литра (С)
1000ml - SAE 80W90/API GL5
Как часто менять:
Редуктор 2 года или 40000 км
Коробка 2 года или 20000 км
Проверка уровня при каждом ТО
12. Топливный фильтр
BMW 16 14 2 325 859 ~ 30$
KNECHT KL145
MANN MWK 44
FILTRON PS881 - НЕ ПРИМЕНЯТЬ! ЯВЛЯЕТСЯ ПЛАСТИКОВЫМ!
BIG GB-320
Как аналог с доработкой может подойти:
BOSCH 0 450 905 273
Фильтр довольно большой-чтоб поставить его на место штатного пришлось чуть обрезать штуцера фильтра на половину их длины с каждой стороны и заменить шланг (родной) который идет от насоса к фильтру(установить длиннее).
Размеры фильтра
D Внешний диаметр [мм] 49,6
H Высота [мм] 58
Высота [мм] 94
диаметр D2 (мм) 8
диаметр D3 (мм) 8
Фильтр грубой очистки топлива:
16 14 1 341 233
http://bmwclubmoto.ru/showthread.ph...-фильтра-и-др.?p=359567&viewfull=1#post359567
13. Сальники
сальник редуктора со стороны колеса 85X110X10 (33 12 7663482), либо не в пакетике от BMW - corteco (01027761B)
аналог Мазовский сальник(Манжета ведущего моста 5336-2402052-001, размер 2,2-85х110).
сальник первичного вала коробки (со стороны сцепления) 20X32X8 (23 12 7705086), аналог 20х32х7(12011115B) стоит в 8 раз дешевле, производство Италия.Еще аналог: Хонда (91249-PNC-003)
1. Если вы меняете сальник при ремонте коробки, то ставьте его после сборки и этому есть две причины - нагрев крышки при монтаже и главное, положение сальника. расстояние от сальника до проточки на валу, от которой начинаются шлицы- около миллиметра. Очень легко поставить сальник так, что он будет наезжать на прорезь(мне из за этого пришлось его снова менять, так как оно потекло)
2. Подходит сальник от УАЗА и Волги (входной вал рулевого), цена 15р - это в дополнение к Контековским сальникам
сальник со стороны переключения передач 14X22X5 (23 12 2330139), аналог хонда (91203-KK3-830)
сальник датчика включения передачи 10X18X6 (23 12 2330141)
сальник гидропривода сцепления на коробке 17X28X7 (23 12 7705085)
сальник хвостовика коробки на кардан 25X40X6 (23 12 2330135)
сальник двигателя со стороны сцепления 65X83X7 (11 11 1341135) аналог (81-33453-00) Rainz
сальник двигателя со стороны сцепления 65X85X7 (11 11 1341087) аналог (81-33452-00) Rainz
cальник исполнительного цилиндра (23 12 7705085) аналог от
сальник коробки со стороны кардана 23 12 2330135 аналог от ямахи 93101-25M03-00 (ПРОВЕРЕНО - ПОДХОДИТ), а в данном случае НЕ ПОДОШЕЛ (потек ПРУФ)
Сальники пруф ->ТЫК<-
на первичный вал: родной 20X32X8 (23 12 7705086) заменяется 20х32х7(12011115B) стоит в 8 раз дешевле, производство Италия. (разница в оригинале и сальнике Erling - https://bmwclubmoto.ru/showthread.p...а-фильтры-и-др?p=564909&viewfull=1#post564909)
сальники коленвала: фирма Rainz 81-33453-00 (оригинал 11 11 1 341 135) и 81-33452-00 (оригинал 11 11 1 341 087). Разница в цене 660р против 1500р за оригинал.
Сальник хвостовика редуктора (ориг. 33117665838): 35X47X7 504.483*фирма Erling. Еще варианты: http://m.exist.ru/price.aspx?pid=6E3002D7&sr=-4
Цитирую с "Мототревелс" , автор Himik "Да, имейте ввиду - сальник входного вала (со стороны кардана) редуктора БМВ - 35х47х7 не что иное как передний сальник коленвала Лады Ларгус, она же с*аная Дача Логан MCV, он же Рено и прочего тазопрома с реномоторами.(С)
http://www.powerboxer.de/motor/300-wellendichtringe-tauschen правильная установка сальников со стороны маховика
http://bmwclubmoto.ru/showthread.ph...-фильтра-и-др.?p=359572&viewfull=1#post359572 замена сальника коленвала
14. Диски сцепления
Пределы износа дисков сцепления
R1100 GS -новый 6мм предел износа 4.5мм
R1150 GS -новый 6.8 предел износа 4.8мм
Диск сцепления аналог
SACHS 1864 000 124
TRW MCC 608
маслостойкий диск 2122454 ( в каталогах экзиста его нет, ищите через поисковик)
есть еще керамичиский( по отзывам его невозможно убить) но цена космос http://www.touratech-usa.com/Store/PN-040-0351/Ceramic-Clutch-R1150GS-R1100S-165mm или вотhttp://www.rbracing-rsr.com/bmw_clutches.html. Говорят, что за последние 10лет никто не смог купить такой диск,их не производят.
Итальянский производитель http://www.newfren.com/, код продукта .F.1490
Feredo код FCD0617 http://ecat.ferodoracing.com/motorcycle/clutches/FCD0617
Смазка Keramik-Paste Артикул: 3418 для шлицев: http://liquimoly.ru/product_view.php?id=360 на экзисте есть
Первичный вал:
Вариант удлиненного: http://www.sunshinecoast.ca/bmw/InputShaft.pdf
Дебаты в соседнем форуме по теме удлиненного вала http://www.bmwclub.ru/vb/showthread.php?t=835625
15. Подшипники
1. Подшипник редуктора №1000917(отечественный), 6917 (зарубежный) размер:120х85х18
2. Подшипники маятника: спереди в маятнике стоят 17X40X13,25
а сзади по партнамберу стоят 10X32X17 (FAG 10-6465A) БМВшный каталожный номер 33 17 2 311 091
==================================================================
Инструмент:
Динамометрические ключи 5-25 Нм, 10-110 Нм и 40-210 Нм. (самый ходовой 10-110Нм)
5-25 - 1/4
10-110 - 3/8
40-210 - 1/2
==================================================================
Маленькие хитрости
1. Трос спидометра для Гуся подходит от Honda Lead(стоит 100-150рубелй)
Длинна троса спидометра на 1150 GS L=1040 MM
2. Немного про ABS
Сразу скажу что на версиях с 1999г по 2002г стоит ABS2 (версия без электро усилителя)
с 2002г по 2005г стоит IABS(версия с электро усилителем)
Определить можно так:
Нажимаем на тормоз и если стоит электро усилитель происходит характерное жужание под бензобаком https://moto.kiev.ua/attach/moto/1270900501104/1397592608298.mp3
Мой отчет, версия ABS2:
Включаю зажигание, моргают две лампы абс, начинаю движение лампы АБС начинают моргать поочередно.
Ну думаю надо ошибку скинуть, находим коричневый провод с голубой полосой(если не ошибаючь под цифрой 2) на штекере что лежит на воздушном фильтре (такой круглый с заглушкой), берем провод 20 см (почему 20 я не знаю, возможно можно и короче т.к сечение в инструкции не укзывается) и подсоединяем один конец к этому штекеру, другой на массу, включаем зажигание и нажимаем ктопку АБС на 8 секунд, при этом лампочки АБС тухнут а через 8 секунд когда отпустим кнопку, остается гореть только одна нижняя, все ошибки АБС сброшены.
Так же АБС может моргать из за того что не хватает заряда аккумулятора когда происходит пуск двигателя, т.к. у АБС в этот момент происходит тест системы.
Сброс ошибки мне не помог, но когда я прикурился дополнительно от машины во время пуска двигателя мото все стало нормально, в итоге купил сегодня новый аккумулятор.
Еще как то можно считать что именно за ошибка, но пока этого не изучил, мне не надо) хотя где то было описание...
ИМХО: АБС - весчь!
3. Симптомы смерти катушек зажигания
Катушка зажигания большой свечи.
Итак, после замены детали, могу с Павловской скрупулезностью ("...Не пейте, суки, записывайте: - У меня холодеют ноги...") описать симптомы медленной и мучительной для владельца BMW, смерти катушки зажигания:
- затрудненный холодный старт;
- неустойчивость холостых оборотов на непрогретом двигателе (от 400 до 1000);
- хлопки в глушителе при зажигании и при резком откручивании ручки газа;
- увеличенный расход топлива;
- неритмичность звука работающего двигателя (так звучит "троящий" двигатель авто);
- вынутая свеча дает искру, но в рабочей среде не воспламеняет топливо;
- нижние свечи мокнут, покрываются нагаром и выходят из строя;
Сдыхает эта б@дь постепенно и до полного выхода из строя, диагностировать неисправность, похожую на сотню причин (от засорившегося фильтра до заклинившего тросика) весьма затруднительно. Как говорится: "Как бы не болела, лишь бы померла!"
взято с https://moto.kiev.ua/trid/moto/1270900501104/183
Альтернативная версия. С информацией об аналоге катушки зажигания
http://www.bmwclub.ru/vb/showthread.php?p=25629219#post25629219
оригинал 12 13 7 715 853 , ее цена 6,5-7,5 тыр.
Аналог нашелся: Beru ZS385 цена:4тыр.
Есть, правда у них небольшие отличия:
http://fprinz.org/Motorrad/Technik/Primarzuendspulen/PZS.seite.php
4. Взаимозаменяемые детали:
Линза фары ближнего света - от ваз 2106 + герметик
Стекло фары - от Гольф 3 VR6
Фара ближнего света - стекло противотуманки mitsubishi grandis
Бензонасос - от ваз 2109
Замена - бензонасос Bosh или WEBER FP 453 453 для ВАЗ2110. Производство хоть Китай, хоть Германия - разница только в цене. Нареканий ни на тот, ни на другой нет. Нужно только для него сеточку грубой очистки тоже десятошную купить и переделать разъем питания: у родного подсоединяется на кольцевыми клеммами на проводах и шпильками на насосе, а на 2110 идет двухконтактный разъем "папа-мама". Родные клеммы советую не отрезать, а подсоединить к ним нужный разъем и заизолировать место соединения термоусадкой.
Перед этим обязательно проверить состояние фильтра тонкой очистки топлива (как давно менялся?), удалить воду и возможный мусор из бака и заправить бак, т.к при малом количестве бенза насос может хватать воздух, а это его убивает.
То, что "Затрещал бензонасос на боковой подножке", говорит как раз о том, что бензина мало и он перетек на левую сторону, осушив бензонасос.
По западным форумам советуют насос HFP-439B ,на Амазоне тоже все довольны. И пожизненная гарантия ,что актуально для жителей Европы.
+UPD Китайцы научились делать топливный фильтр грубой очистки под родной бензонасос имеет присоединительный размер 19мм . (искать на китайплатформах по номеру 16141341233)
Так же, по непроверенной информации, 1-в-1 подходит фильтр от Tahoe/Escalade/Camaro. + еще одна модель AIRTEX FS30 A
Трос спидометра от Honda Lead
Пыльник шаровой подходит от X5, правда верхняя дыра чуть меньше, чем надо, но натянуть на верхнее кольцо можно. Партнамбер по Febest BMBJB-X5
Ремень генератора
От Гусевода из нашей группы Вконтакте пришла инфа по ремню генератора.
Цитирую:
Ribbed V-belt -4pk592 это штатный ремень. Обозначает, что это поликлиновый 4-х ручейковый ремень длинной 592мм. С этим размером идем в запчасти и просим подобрать подходящий с небольшим отклонением по длинне.
Например: http://www.rusimport.com/price/dayco/4pk592
Ставил на 1150GS и на 1100R одинаковые ремни 4pk610. Разных фирм. Подошли без проблем. Ход регулировки генератора позволяет поставить ремень и немного подлиннее. (С)
Ребята, при покупке ремня генератора, обращайте внимание на длину ремня на ВАШЕМ мотоцикле. Я заказал ремень Ribbed V-belt -4pk592 (это тот, который дан как штатный) фирмы continental, для своего Гуся (2000год). Стал ставить, выяснилось, что ремень мал, а у меня стоял 4рk611, вернул, перезаказал, завтра привезут, но у меня магазин напротив дома, а если у кого-то до магазина семь вёрст и всё лесом... . Кстати понравилась разница в цене: Родной ремень на bmwcats 1186-1338руб., в зависимости от срочности заказа, ремень фирмы Continental c доставкой на следующий день - 325руб. (С)
Датчик Холла который стоит на 1150 GS 2AV54, один в один от Датчик Холла ВАЗ-2109 (OBSOLETE) http://www.chipdip.ru/product/2av54
Китайский тормозной диск ->ТУТ<- Пруф здесь
Колёса передние 1150 и 1200
немного полезной инфы с https://moto.kiev.ua/trid/moto/1270900501104/203
Недавно задавал вопрос по установке переднего колеса с 1150GS на 1200GS. Так вот обод оказался один в один, спицы тоже, различия только в ступице. Колесо было переспицовано и успешно установлено на 1200 гуся.
Я еще где то встречал что сальник редуктора со стороны колеса 85X110X10 (33 12 7663482) подходходит от МАЗа, ну это на случай поломки в дороге. Мазовский сальник(Манжета ведущего моста 5336-2402052-001, размер 2,2-85х110).
микроВыключатель стопа передний и задний можно найти аналог в Чип и Дип за 31 руб(слева на фото)
Крепление защиты картера BMW 11111343054 L=47MM, аналог от ВАЗ 2110 6104716
5. Подшипник паралевера тянется по мануалу с моментом 7 н/м, но на практике из за использования в данном узле локтайта значение момента снижается и через приблизительно 1000-2000 км люфт снова наблюдается.
Тянем моментом 10 н/м и при затягивании покачиваем редуктор.
6. Таблица Мотроника
7. Проблема с неработающим цилиндром
Причина: это был тросик. Все банально и просто. Тросик газа выскочил со своего места, а точнее рубашка тросика газа выскочила с места крепления на 2-3мм на правом цилиндре.
Вставил на место и байк завелся и заработал ровно, как и положено.
Вот так он выскочил.
А теперь мое понимание того что же было?
Пока байк стоял и я пару раз снимал эту боковую крышку под баком чтобы посмотреть что топливные шланги проложены неправильно или поставить на место 1 резинку крепления этой крышки... В общем как-то незаметно тросик выскочил из своего места.
Выскочивший тросик привел к тому, что правая заслонка поднималась не синхронно с левой. Судя по всему запаздывала на пару мм. А датчик положения заслонки стоит слева. Он как положено определял положение заслонки, мозги рассчитывали сколько лить топлива. Форсунки подавали топливо, свечи давали искру. Но в правом цилиндре было слишком мало воздуха и топливо-воздушная смесь банально не поджигалось. Из-за этого и мокрые свечи.
И я еще в начале заметил что если дать газу, после 3000 оборотов правый цилиндр немного схватывал. Что тоже логично, заслонка поднималась, смесь была слишком богатая, но иногда детонировала, может даже не из-за искры, а сама по себе, за счет быстрого сжатия на таких оборотах.
8. Таблица нормативов по расходникам от MOTO-COMPANY
9. Не для кого не секрет, что крепление стеклышек поворотников сделано так, чтобы ломалось при закручивании удерживающего винта.
Чутка перекрутил - хрясь - покупай новое (у официалов цена 600р).
Одно из задних стеклышек у меня уже улетело (видно вкрутили хорошо предыдущие хозяева). Посему знаю цену официалов.
Второе стеклышко я снимал недавно, т.к. перестала работать лампочка поворотника - причиной оказался выкрутившийся из гнезда цоколь лампы (не уж то такие вибрации). А вот на креплении стеклышка я обнаружил трещину, т.е. скоро и это стекло должно было улететь.
В общем сделал апгрейд: стянул крепеж тонкой стяжкой. Начал вкручивать обратно - хрясь - крепеж просто оторвался от стекла.
Вот почему нельзя целиком залить угол с местом крепежа и просто дырочку сделать?? Обязательно на тонкой ножке такую вещь делать(кстати она еще полая внутри).
Пришлось колхозить с помощью супер клея и зубочистки дополнительное усиление изнутри ножки и приклеить ножку к боковой стенке стеклышка.
Смотрите результат:
10. Укрепляем Гусю Хвост, а так же какие симптомы отваливающегося оперения надо смотреть http://bmwclubmoto.ru/showthread.ph...-фильтра-и-др.?p=314409&viewfull=1#post314409
11. Как считывать ошибки без заводского сканера на R1100 GS и R1150 GS
http://bmwclubmoto.ru/showthread.ph...-фильтра-и-др.?p=352533&viewfull=1#post352533
11.1. Снимаем коды ошибок с MOTRONIC 2.2 с помощью подручных средств.
Maver, форум Oppozit.ru
Оригинал: http://www.largiader.com/articles/motronic.html
Актуально для моделей с мотроником 2.2:
R1100GS 1993 - 1999 MA2.2 ABSII
R1100R 1994 - 2001 MA2.2 ABSII
R1100RS 1993 - 2001 MA2.2 ABSII
R1100RT 1995 - 2001 MA2.2 ABSII
R850GS 1999 - 2002 MA2.2 ABSII
R850R 1994 - 2003 MA2.2 ABSII
R850RT 1998 - 2002 MA2.2 ABSII
K1100LT 1994 - 1999 MA2.2 ABSII
K1100RS 1994 - 1997 MA2.2 ABSII
Для более новых моделей есть другие решения:
http://www.gs911usa.com/gs-911-faq.php
1.Итак, нам понадобится аналоговый тестер (Цифровой недостаточно быстр, и могут быть ошибки считывания), кусок провода. Вместо тестера также может быть использован диод с резистором, или например пробник на 12В.
Я использовал цифровой тестер, воспринимается с него хреново, я нацепил параллельно волшебный диод из поста про настройку положения датчика холла и все стало офигенно удобно и понятно . Лампа мигает, считаем провалы, складываем в коды. Возможно тестер и не нужен. Пробуйте сами.
2. Находим диагностический 3-пиновый разъем (на R1100RT под задним сиденьем, у других не знаю, где-то там же). Один щуп тестера на пин один (1), (на корпусе пронумерованы), второй на массу (Аккумулятор или рама), включите зажигание (RID (Rider info display, панель, где показывается время, темп. масла и т.д. должен гореть, т.е. стоп двиг в положении вкл, боковая подножка сложена) должен быть активен!)
3. Отдельным кабелем соединить тот же разъем 1 на массу на не менее чем 5 секунд, убрать провод
4. Стрелка вольтметра должна упасть до нуля, на 2.5 секунды, затем вернуться на 12V (лампа погасла, затем загорелась).
5. Серия коротких провалов до нуля -- считайте количество провалов (короткие затухания диода).
6. Короткая пауза 2.5 сек
7. 5 и 6 пункты повторяются еще 3 раза с разным числом провалов.
8. Вы получили 4 цифры, это и есть диагностические код Мотроника (смотри таблицу далее)
9. Код будет выдаваться до тез пор, пока вы снова не заземлите 1-й разъем (пункт 3)
10. После этого будет выдан следующий код, если есть. Опять заземляете пин 1, пока коды не кончатся. Кончится вывод кодов сигналом 0000 -- четыре более длинных чем обычно провалов.
* Если вы не запускали двигатель, или запускали на очень короткое время вы получите коды 1122 и 1133,
это нормально (код положения датчика холла)
Пример: Один провал - пауза - один провал - пауза - два провала - пауза - два провала - пауза - длинный провал - пауза (повтор) => код 1122
Motronic Codes
0000 no further fault stored (Больше (далее) нет ошибок)
1111 CO potentiometer (CO Потенциометр)
1122 Hall signal 1 (Положение датчика холла 1)
1133 Hall signal 2 (Положение датчика холла 2)
1215 Throttle butterfly angle sensor (Датчик положения дроссельной заслонки)
1223 Engine temperature sensor (Датчик температуры двигателя)
1224 Air temperature sensor (Датчик температуры ваздуха)
2341 Oxygen sensor at limit (Лямбда зонд на предельном значении)
2342 Oxygen sensor signal invalid (Сигнал лямбда-зонда неправильный)
2343 mixture setting at limit (Настройки смеси на предельном значении)
2344 Oxygen sensor shorted to ground (Лямбда зонд замкнут на землю)
2345 Oxygen sensor shorted to 12V (Лямбда зонд замкнут на 12V)
4444 no fault stored (Нет сохраненных ошибок)
Очистить память от ошибок: вынуть 5-й предохранитель на несколько секунд.
12. Возможна проблема возникновения стука в коробке R1150GS
Природа стука в сцеплении 1150 http://www.youtube.com/watch?v=V8MAWArt7Ew
13. Настройки БМВ R1100-1150GS своими руками
Trucker (Американец), форум Jokers MC, Калуга. http://blackbears.ru/forum/viewtopic.php?t=1553
Предлагаю некоторые основные настройки для БМВ 1100-1150 GS. Операции просты и нет необходимости кому-то за них платить.
I) Reset - Перезагрузка АВS: -восстановление заводских настроек.
1. Снять седло, найти трехпроводный штекер "мама" с синей заглушкой. Снять ее.
2. Подключить средний вывод с помощью обычного провода на "массу".
3. Включить зажигание, нажать и держать кнопку АВС в течение 8-10 секунд.
4. Отпустить кнопку, выключить зажигание.
5. Заглушку вернуть на место.
II) Перезагрузка "Motronic", т.е. системы впрыска.
1. Открыть блок предохранителей. Зажигание выключено!
2. Вытащить 5-й предохранитель (это Motronic), и можно еще 6-й (счет идет слева направо, глядя по ходу мотоцикла).
3. Подождать минуту и вставить назад в обратном порядке (зажигание не трогать!)
4. Теперь включить зажигание и два - три раза открыть и закрыть дроссельную заслонку до упора (при этом компьютер считывает показания)
Выключить зажигание. Все, заводские настройки перезагружены.
III) Установка потенциометра положения дроссельной заслонки.
1. Отпустить все тросы к дроссельным заслонкам: к левому цилиндру и между ними - к правому.
2. Отвинтить упоры дросселей как можно больше, чтобы заслонки легли на корпуса плотно.
3. Снять резиновый чехол с потенциометра и подключить миливольтметр к красно-белому проводу (крайний справа). Второй провод тестера - на массу.
4. Включить зажигание и установить напряжение 0 В(ноль) либо 0,006 В, двигая потенциометр (предварительно, понятно, ослабив болтики).
5. Закрепить болтики. Таким образом, полностью закрытая заслонка соответствует значению 0 или 0,006 В. Название этой операции: "Zero to zero"
6. Левым упором дросселя, закручивая его, выставить 0,36...0,39 В по миливольтметру. Меньшее значение- смесь беднее.
7.Правым упором и тросом к правому синхронизировать пр.цилиндр по левому. Левый больше не трогать!
8.Проверить холостые, если больше 1100-1200 об/мин, уменьшить вольтаж на 0.02В. Но не менее 0,36 В!. Система "не понимает" меньшее значение.
9. Проверить синхронизацию. Все регулировки - только правым цилиндром!
10. Обязательно сделать Reset Motronic(а), т.к. положение потенциометра изменилось.
Для сведения: своб. ход тросов - 0,5 мм, болты байпасов на корпусах обычно открыты где-то на 2 оборота.
Для любителей поэкспериментировать с прошивкой топливной карты:
В блоке предохранителей есть посередине так называемый ССР (Cat Code Plug). Существует несколько их разновидностей (они разноцветные). Смысл - в подборе наилучших характеристик для мотора. Технически это простые перемычки между контактами, т.е. элементарно их повторить. Например в следующих приемлемых комбинациях перемкнуты:
Без ССР вообще - система выдает мощностные показатели, но СО зашкаливает (3-8%) и катализатор можно легко сжечь. Ездить так не рекомендуется. Если в этом варианте что-то изменилось в лучшую сторону, стоит пробовать другие комбинации. Если нет - стандартный ССР лучше.
Розовый ССР: 30-87-87а - с катализатором - обычная хорошая схема
Бежевый ССР: 30-87а (без катализатора)
Желтый ССР: 30-87 - считается лучшей для RS, а на GS лично мне не понравилось.
Коричневый ССР: 30-86-87-87а (для Швейцарии) - отзывы для RS плохие.
Экспериментируя, нужно после каждой замены ССР перезагрузить Motronic (см. II).
14. Дренажное отверстие горловины бака и его засор.
совет: дренаж засоряется очень быстро и вся вода, жижа и шняга попадает в бак с открытием лючка.. основная проблема в латунной трубке что идет из бака наружу (на конструкции крепления бензонасоса). эта трубка с изгибом, в этом изгибе накапливается грязь и забивает отверстие, со временем начинет откладываться что то вроде ржавчины и отверстие уже не пробить.
лечится просто - откусываете кусок этой трубки вместе с изгибом. остается примерно 1,5 см трубки, ее вполне хватает для закрепления на ней шланга с хомутом.
ранее регулярно мучился, но уже как 50 тыщ - полет нормальный.
15. ABS мод для BMW R1100GS или как решить проблему ABS при слабом заряде аккумулятора.
http://bikepost.ru/blog/52408/ABS-mod-dlja-BMW-R1100GS.html
16. Решение проблемы с зажиганием у BMW Twin Spark (про устранение баварских косяков систем двойного зажигания)
http://bikepost.ru/blog/55892/Reshenie-problemy-s-zazhiganiem-u-BMW-Twin-Spark.html
ВИДЕО РУКОВОДСТВА:
1. Замена масла https://www.youtube.com/watch?v=Pcfp386WeVE
2. Замена топливного фильтра или бензонасоса https://www.youtube.com/watch?v=1bl3H89xtS8
3. Регулировка клапанов https://www.youtube.com/watch?v=iVplES7DROk (см. так же п. 15)
4. Убираем АБС https://www.youtube.com/watch?v=bQOFally0mk
5. Замена подшипников редуктора https://www.youtube.com/watch?v=f8_4lpAFLqk
6. Балансировка мото колес https://www.youtube.com/watch?v=PopVEm1CZQ8
7. Бортировка колес https://www.youtube.com/watch?v=V0nrZadIQxA
8. Регулировка подшипников заднего маятника http://www.youtube.com/watch?v=Of5l2Qom6QM
9. Ремонт вилки(замена сальников)
этап 1 https://www.youtube.com/watch?v=SzF-_ldTs1U
этап 2 https://www.youtube.com/watch?v=lm7JL8dAjqk
этап 3 https://www.youtube.com/watch?v=dHeJhO6RTLA
этап 4 https://www.youtube.com/watch?v=D7p9JvCJY2Q
этап 5 https://www.youtube.com/watch?v=8DgHF5beVOU
этап 6 https://www.youtube.com/watch?v=437efPXNCD4
этап 7 https://www.youtube.com/watch?v=yCA9frJqk20
10. Проверка датчика холла http://youtu.be/qrqHRJqLmBY
11. Замена сальника хвостовика редуктора R1150 от king_kobra : http://www.youtube.com/watch?v=qp2bdBnd6zY
12. Модернизация втулки диска: https://www.youtube.com/watch?v=fUhNVHFyQKY&list=UURZEzmVmi88hqnVKe7d-wIg
13. Замена входного вала: https://www.youtube.com/watch?v=INEhEkE6ejM&list=UURZEzmVmi88hqnVKe7d-wIg
14. Снятие установка коробки R1150RT : http://bmwclubmoto.ru/showthread.php/16208-Снятие-установка-коробки-R1150RT-Видео
15. Регулировка клапанов по русски: https://youtu.be/BU-8oumPRRg
16. Чистка форсунок инжектора https://youtu.be/kno1o0pkwwQ
17. https://www.youtube.com/watch?v=NBX2qWHfHHc ремонт перегоревшего обогрева ручек и смена грипсы
18. Регулировка коромысел https://youtu.be/qZhJjOzLe0s
19. Ремонт дросселей https://youtu.be/8ee5Vpf7eEg
20. Синхронизация https://youtu.be/69fSkGDt-2k
21. Более полное видео о переборке редуктора https://youtu.be/hVK_lpFoFok
22. Регулировка параллевелера https://youtu.be/mCNCbRu8cNQ
22. Замена подшипников переднего колеса https://youtu.be/018x-ZcmhOw
23. Замена родного АБС на ABS Honda cb1000r, с 2008 по 2016 г https://youtu.be/cIXOjttMSTI
=============================================
Обучение пользования тяжелым эндуро (с переводом Антона Стилета)
1. Уроки Clinton Smout Клинтон Смаут
https://www.youtube.com/watch?v=fmMlm0q-4kA&list=PLMBsGKsMawh6QJr1CDf_wsJGvK2wDfJWo
2. Основы езды на тяжелом эндуро
https://www.youtube.com/playlist?list=PLMBsGKsMawh7Q76r-GWpOTMqRM9f1p_K1
3. Продвинутое вождение тяжелых эндуро
https://www.youtube.com/playlist?list=PLMBsGKsMawh5i60XgboeYiXKvc7cutnJA
4. Adam Riemann Адам Риман
https://www.youtube.com/playlist?list=PLMBsGKsMawh49df69PeK96CGaTZX1FtnR
5. Обзоры турэндур
https://www.youtube.com/playlist?list=PLMBsGKsMawh5qosOCL8tgNU5zBsjk-QVF
=============================================
UPD: Kram
По 1100GS
1. Руководство по технической эксплуатации двигателя bmw r 1100 S" http://yadi.sk/d/_uf7otijBeyGK
Спасибо Yurok за заливку!
2. http://www.ibmwr.org/r-tech/oilheads/R11inj-surging-fixes.shtml расширенная инфа о том, как можно играться с мотроником и инжектором в целом на моделях R1100
3. http://www.bmwclub.ru/vb/showthread.php?t=446118 разборка 1100 гуся в картинках
4. http://sinus.vl.ru/forum/showthread.php?t=19422#.UzZ_2_l_uT9 личное техническое обслуживание, R1100GS
5. http://www.mac-pac.org/wp-content/uploads/2011/01/R1100RT_Elec_Diagram.pdf Электро схема на R1100 GS
6. Еще одна
7. http://spang-air.de/e/BMW_R1100S_motorcycle_engine_-_installation.pdf Установка двигателя на самолет
Сайты о гусях:
http://www.gs-forum.eu/r-1150-gs-und-r-1150-gs-adventure-93/ германские собратья
https://vk.com/BMW_R_1150GS группа 1150 гусеводов Вконтакте
http://bmwboxerclub.ru/materialy-po-remontu-i-obsluzhivaniyu/ Сайт оппозитных мотоциклов BMW
СЕРВИСНЫЙ МАНУАЛ НА РУССКОМ ЯЗЫКЕ BMW R1150GS
http://rutracker.org/forum/viewtopic.php?t=4613235
Полезные ссылки и еще куча полезной инфы в пост №4 и №5 ниже переехали смотри туда.
Последнее редактирование: